안녕하세요 JNP 입니다.
오늘은 DC 모터 구동을 도와주는 하드웨어 CHIP을 알아보겠습니다.
추후에는 이모듈을사용하여 DC모터 PCB를 만들어보고 STM32로 제어도 해보는 시간을 갖겠습니다.
그전에 우선 하드웨어적으로 이해를 하셔야지 진도를 따라오기 쉬울 것 같아서 강의를 올려 보았습니다.
많이 부족해도 너그럽게 읽어주시면 감사하겠습니다.
우선 사용할 CHIP을 소개 해봅시다.
이름은 L298N 이라는 칩입니다.
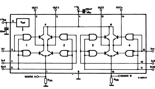
내부구조를 살펴 볼까요? 이미지는 해당 데이터 시트 내부블록도 를 캡쳐 하였습니다.
우선 동작 원리를 살펴 보겠습니다.
OUT1, OUT2에다가 DC 모터를 연결 하면 됩니다.
OUT3, OUT4에다가 DC 모터를 연결 하면 됩니다. 결론은 L298N 칩으로 DC모터 2개를 제어 가능하다고 볼수 있습니다.
모두들 AND GATE의 역활은 아시겠죠? 모르시다면 간단하게 설명 하겠습니다.
AND 게이트는 모두 1이 되어야 1이 나오고 하나라도 0이있으면 0으로 출력합니다. 곱하기 한다고 생각하시면 쉽습니다.
그럼 IN1에 제어신호를 1을 넣고 IN2에 0을 넣습니다. 그리고 ENA 신호에다가 1을 넣어보겠습니다.
그러면 1번 AND GATE 위에 놈이 동작을 하게되고 OUT1에 모터의 구동 신호인 전원이 들어가게 됩니다.
그리고 모터를 거쳐서 OUT2에 들어와서 GND로 흘러 모터가 동작합니다.
IN2에 0을 넣었는데 2번 아래 있는 놈의 뒷단에 조그만하게 동그라미가 보이시나요 그모양인 NOT 입니다.
그러므로 정방향 동작을 하게 됩니다.
그럼 반대로 동작하려면 어떻게 하면 될까요? 바로 IN1 신호에 0을 넣고 IN2에 1을 넣고 ENA신호에다가 1을 넣으면 동작을 하게 됩니다.
간단하게 살펴 보았습니다. 이해가 안가셔도 좋습니다. 나중에 제어할때 한번더 설명을 하겠습니다.
예전에 이런 칩을 몰랐을때에는 TR 4개를 가지고 회로를 그렸는데 참으로 좋은 세상 이라고 다시한번 느끼고 있습니다.
TR4개를 엮어 붙인 회로를 H브리지 회로라고도 불립니다. 이걸 응용해서 TR6개를 붙이면 BLDC 회로 입니다 이부분은 추후에 강의를 통해 소개하겠습니다.
그럼 CHIP[L298N] 에대한 스펙을 살펴볼까요?
L298N을 동작시키는 전압은 5~7V 사이를 넣어주시면 됩니다!
모터 입력 전압은 4.8~46Vdc 입니다. DC 모터는 12V 24V 모터를 많이 사용 하곤 합니다.
그럼 모터 출력 전류를 알아보죠 이것은 모터의 힘이라고 할수도 있습니다. 최대 구동 전류를 4A 입니다. 그렇다고 4A를 타이트하게 쓰면 위험하겠죠 마진율 20%주고 사용하시는걸 추천드립니다.
참고로 STM32F103 에서 GPIO로 신호를 주는 것입니다.
진짜 어려운것 없이 동작을 할수 있습니다.
간단하게 H브리지 회로 설명및 DC 모터 구동 원리를 살펴 보았습니다.
감사합니다.
12. [하드웨어] Component Package 를 알아보자! (0) | 2022.07.06 |
---|---|
10. [하드웨어] 션트(Shunt)저항 사용하여 전류를 측정을 알아보자 (0) | 2022.03.16 |
09. [하드웨어] 바리스터(Varistor) 에대해 알아보자 (0) | 2022.03.15 |
08. [하드웨어] 다이오드에 대해 알아보자 (0) | 2022.03.14 |
07.[하드웨어] 바이패스 콘덴서 알아보자 (0) | 2022.02.24 |
댓글 영역